SUMITOMO SERVO Εσωτερική αντλία ταχύτητας QT Σειρά
SUMITOMO SERVO Εσωτερική αντλία ταχύτητας QT Series QT62-80-BP με υψηλή ποιότητα
Περιγραφές προϊόντων
| Διαθέσιμο μοντέλο: Sumitomo Εσωτερική αντλία ταχύτητας:Qt 42-31.5 40 qt 52-50 63 qt 62-80 100 125 ABT Series Servo Pump:Abt1t abt2t abt3 abt11t abt21t abt22t. Eckerle Εσωτερική αντλία υδραυλικού γραναζιού:EIPC 3-32 40 50 63 EIPC 5-80 100 EIPC 6-125 160 |
1. Απόδοση χαμηλού θορύβου
Οι εσωτερικές ταχύτητες QT είναι ομαλές και σιωπηλές και τα εξαιρετικά χαρακτηριστικά τους είναι ειδικά σχεδιασμένα για ταχύτητες. Ο ήχος είναι πολύ χαμηλός όταν χρησιμοποιείται και ο ήχος εξακολουθεί να είναι ομαλός ακόμη και σε υψηλές ταχύτητες.
2, υψηλή αντίσταση φθοράς
Εκτός από την απλή μηχανική δομή, η χρήση προηγμένου υδραυλικού ελαίου μπορεί να μειώσει τη μηχανική επιφάνεια και τη φθορά των λειτουργικών τμημάτων. Το QT Gear Chestnut μπορεί να τρέξει σε υψηλή πίεση 320bar πίεση, ακόμη και αν η χρήση γενικού υδραυλικού ελαίου, δεν είναι εύκολο να φορέσετε κομμάτια.
3, παλμός χαμηλής πίεσης
Η αντλία γρανάζι QT μπορεί σχεδόν να αφαιρέσει πλήρως το κύμα πίεσης, μπορεί να χρησιμοποιηθεί ως έλεγχος ακριβείας συστήματος της ιδανικής πίεσης εργαλείου εργαλείου.
Λεπτομερείς φωτογραφίες



Κώδικες παραγγελίας

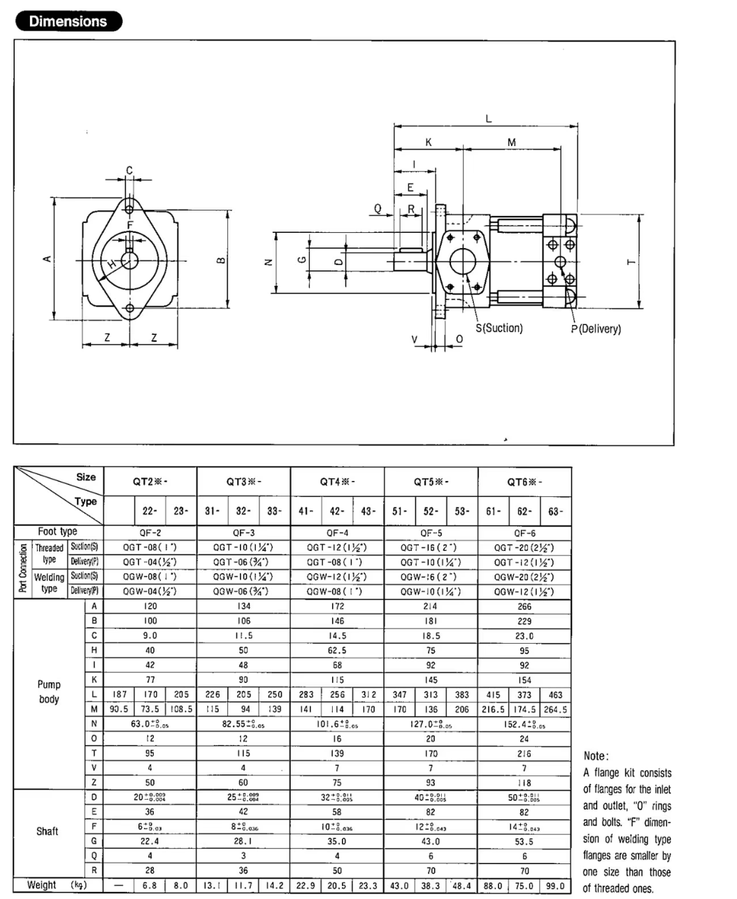
Μεγέθη εγκατάστασης

| Μοντέλο | A | B | ∅C | ∅D | E | κλειδί | Q | 2-∅H | ∅G | J | K | V | |||
| πλάτος x μήκος | |||||||||||||||
| QT42-31.5 | 68 | 7 | 0 | +0.011 | 35 | 0 | 4 | 2-∅14.5 | ∅146 | 58 | 115 | 114 | |||
| QT42-40 | ∅101.6-0.05 | ∅32-0.025 | ∅10-0.036 x50 | ||||||||||||
| QT52-50 | 92 | 7 | 0 | +0.011 | 43 | 0 | 6 | 2-∅18.5 | ∅181 | 82 | 145 | 136 | |||
| QT52-63 | ∅127-0.05 | ∅40-0.025 | ∅12-0.043 x70 | ||||||||||||
| QT62-80 | 92 | 7 | 0 | +0.011 | 53.5 | 0 | 6 | 2-∅23 | ∅228.6 | 82 | 154 | 174.5 | |||
| QT62-100 | ∅152.4-0.05 | ∅50-0.025 | ∅14-0.043 x70 | ||||||||||||
| QT62-125 | |||||||||||||||
| Μοντέλο | L | ∅N | O | R | T | U | ∅S | W | X | M1 | ∅P | Y | Z | M2 | ||
| QT42-31.5 | 256 | ∅125 | 16 | 172 | 139 | 75 | ∅38 | 69.9 | 35.7 | M12 βαθιά 25 | ∅25 | 52.4 | 26.2 | M10 βαθιά 20 | ||
| QT42-40 | ||||||||||||||||
| QT52-50 | 313 | ∅150 | 20 | 214 | 170 | 93 | ∅50 | 77.8 | 42.9 | M12 βαθιά 25 | ∅32 | 58.7 | 30.2 | M10 βαθιά 20 | ||
| QT52-63 | ||||||||||||||||
| QT62-80 | 373 | ∅190 | 24 | 266 | 216 | 118 | ∅63 | 88.9 | 50.8 | M12 βαθιά 25 | ∅38 | 69.9 | 35.7 | M10 βαθιά 20 | ||
| QT62-100 | ||||||||||||||||
| QT62-125 | ||||||||||||||||
Εταιρικό προφίλ

Ningbo Hyleman Hydraulics Co., Ltdείναι μια επιστημονική και καινοτόμος εταιρεία που ενσωματώνει την Ε & Α, την παραγωγή, τις πωλήσεις και την εξυπηρέτηση των υψηλών υδραυλικών αντλιών, των κινητήρων, των βαλβίδων και άλλων υδραυλικών προϊόντων.
Ο Hyleman παρέχει κυρίως Rexroth A4VSO, A10VSO, A4VG, A7VO, A11VO και A2FO Series High - αντλίες εμβόλων πίεσης, REXROTH PGH3, PGH4 και PGH5 High {{10} αντλίες πίεσης Piston, A4VM, A6VM, A2FM και A4FM SEREAST Motors. BM3, BM4, BM5, BM6 και άλλοι κινητήρες τροχιάς. Μέσα από την εκτόξευση και την καινοτομία των ανθρώπων Hyleman, τα προϊόντα της σειράς Hyleman δεν μπορούν μόνο να αντικαταστήσουν τέλεια τα αρχικά προϊόντα, αλλά και να συνειδητοποιήσουν την απρόσκοπτη ανταλλαγή και τη σύνδεση όλων των τμημάτων. Επιπλέον, έχει χαμηλότερο θόρυβο, υψηλότερη απόδοση όγκου και μεγαλύτερη διάρκεια ζωής, έτσι ώστε να ξεπεράσει πλήρως την ποιότητα του αρχικού εργοστασίου και να αντέξει τη σοβαρή δοκιμασία της αγοράς, έχει εξαγάγει σε περισσότερες από 70 χώρες και περιοχές σε όλο τον κόσμο.
Τα προϊόντα σειράς Hyleman χρησιμοποιούνται ευρέως σε μηχανικά μηχανήματα, πλαστικά μηχανήματα, μεταλλουργικά μηχανήματα, μηχανήματα περιβαλλοντικής αποχέτευσης, μηχανήματα εξόρυξης, θαλάσσια μηχανήματα, μηχανήματα συσκευασίας, λιμενικά μηχανήματα και διάφορα υδραυλικά εξοπλισμό, τα οποία επαίνεσαν ιδιαίτερα από τους πελάτες.
Ο Hyleman διαθέτει τον παγκόσμιο προχωρημένο εξοπλισμό επεξεργασίας CNC, τα κατακόρυφα και οριζόντια κέντρα κατεργασίας, το υψηλό - Double Precision - άλεση, λείανση αυλάκωσης, λείανση καμπύλης και πλήρης - αυτόματα κέντρα κατεργασίας. Με 12 ανεξάρτητα εργαστήρια δοκιμών, τα προϊόντα έχουν επιθεωρηθεί διεξοδικά πριν από την αποστολή για να διασφαλιστεί ότι τα προϊόντα της σειράς Hyleman επιτυγχάνουν υψηλή ακρίβεια, υψηλής ποιότητας και μηδενικά ελαττώματα.
"Η βελτιστοποίηση της απόδοσης των υδραυλικών προϊόντων, η βελτίωση της ποιότητας των υδραυλικών προϊόντων και η καθοδήγηση της ολοκληρωμένης αναβάθμισης της κατανάλωσης υδραυλικών προϊόντων" δεν είναι μόνο η ευθύνη και η αποστολή του Hyleman, αλλά και το κινεζικό όνειρο του Hyleman. Ο Hyleman είναι πρόθυμος να συνεργαστεί με ανθρώπους της διορατικότητας για να καταβάλει αδιάκοπες προσπάθειες για να συνειδητοποιήσει αυτό το όνειρο.
Καλωσορίζοντας θερμά όλους τους φίλους για να επισκεφθείτε το όμορφο λιμάνι - Ningbo για να συζητήσετε τη συνεργασία και να αναζητήσετε κοινή ανάπτυξη με τον Hyleman!
Εκθέσεις

Πακέτα


Τα πλεονεκτήματά μας
Γιατί να επιλέξετεΥλεμεία?
1. Κορυφαία ποιότητα
Εξαρτάται από την εμπειρία 15 ετών στο σχεδιασμό, την έρευνα, την ανάπτυξη και την κατασκευή υδραυλικών αντλιών.
2. Συστοιχιακό σύστημα ελέγχου ποιότητας
Έχουμε το πιο αυστηρό σύστημα ελέγχου ποιότητας, όλα τα προϊόντα μας δοκιμάζονται 100% πριν από την αποστολή και κάθε ένας από αυτούς έχει έναν κώδικα παρακολούθησης για να βεβαιωθεί ότι είναι με καλή ποιότητα στους πελάτες μας.
3. Προηγμένος εξοπλισμός μηχανημάτων
Όλα τα μηχανήματα που έχουμε είναι νέα μηχανήματα CNC που εισαγάγαμε από τη Γερμανία και την Ιαπωνία για να επιτύχουμε μεγαλύτερη ζήτηση στην ακρίβεια των προϊόντων.
4. Ισχυρή τεχνική ομάδα
Η τεχνική μας ομάδα έχει όλα πάνω από 20 χρόνια εμπειρίας στο σχεδιασμό και τη μηχανική των αντλιών, ο επικεφαλής μηχανικός μας έχει πάνω από 40 χρόνια εμπειρίας στο Design Pumps. Έχουμε μια ερευνητική ομάδα 15 ατόμων, υπεύθυνη για την έρευνα για τη βελτίωση των αντλιών και την ανάπτυξη νέων προϊόντων.
5. Ανταγωνιστική τιμή
Λόγω της καλής διαχείρισης, η τιμή μας είναι πιο ανταγωνιστική από τα αρχικά προϊόντα, πιο λογικά από τους περισσότερους από τους εγχώριους προμηθευτές.
6. Γρήγορος χρόνος παράδοσης
Μπορούμε να στείλουμε μικρές παραγγελίες εντός μιας εβδομάδας, για μεγάλες παραγγελίες, όπως μέσα σε 500 pcs αντλίες ή κιτ κασέτας συνήθως μπορούμε να κάνουμε αποστολή εντός ενός μηνός.
7. Περίοδος εγγύησης
Όλα τα προϊόντα μας βρίσκονται εντός 1 έτους εγγύησης μετά την αποστολή από το εργοστάσιό μας.
8. Εξαιρετική εξυπηρέτηση
Μπορούμε να παρέχουμε τεχνική υποστήριξη ανά πάσα στιγμή, εάν οι πελάτες μας πληρούν οποιοδήποτε ζήτημα κατά τη διάρκεια της χρήσης, θα παρέχουμε λύσεις το συντομότερο δυνατόν.
9.
Θα θέλαμε να δημιουργήσουμε μια μακροχρόνια σχέση στρατηγικής συνεργασίας με τους πελάτες μας, για να προωθήσουμεΥλεμείαΜάρκα μαζί, υποστήριξη και εκπαίδευση του δυνητικού πελάτη για να είναι ο πράκτοράς μας σε κάθε χώρα και περιοχή σε όλο τον κόσμο.
Δημοφιλείς Ετικέτες: Sumitomo Servo Internal Gear Pump Qt Series, China Sumitomo Servo Internal Gear Pump Pump Qt Σειρά Κατασκευαστές, Προμηθευτές, Factory
Ένα ζευγάρι
ΌχιΜπορεί επίσης να σας αρέσει
Αποστολή ερώτησής













